
篩分淀粉
篩分茶葉
過濾紙漿

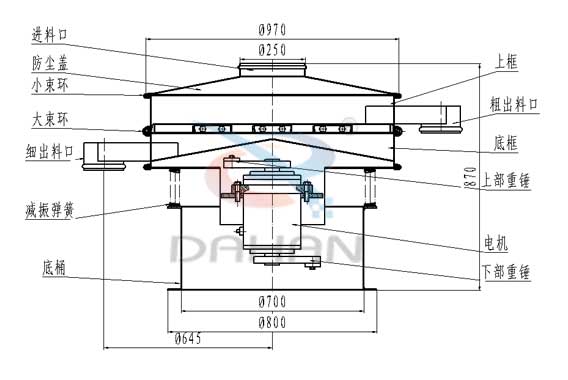
旋振篩是一種高精度細粉篩分機械,工作原理是由直立式電機作激振源,電機上、下兩端安裝有偏心重錘,將電機的旋轉運動轉變為水平、垂直、傾斜的三次元運動,再把這個運動傳遞給篩面。調節上、下兩端的相位角,可以改變物料在篩面上的運動軌跡,由于其振動運轉原理很多企業也稱之為“三次元振動篩分過濾機”。

根據外形結構被部分客戶稱呼為圓形篩,從材質上分標準型旋振篩和普通型旋振篩的,標準型的與物料接觸部分為304不銹鋼材質,底座為碳鋼材質,普通型的通體為普碳鋼材質。旋振篩型號有直徑400mm、600mm、800mm、1000mm、1200mm、1500mm、1800mm,也可以為您特殊訂做。

"大漢"DH系列三次元旋振篩產品,經客戶多年使用,獲得大量的反饋建議,在自有成熟的篩機制造技術基礎上,旋振篩廠家大漢機械工程師以滿足客戶需求為標準,多次技術改進,篩分效果更加優越,采用新型動力激振器,三維動力更加突出,適用范圍更加廣泛,大漢機械公司可根據客戶需求設計特殊型號,無論物料是干是濕,是精細是粗糙,是比重大是比重輕,0-400目都可以篩選,不管是液態的,還是漿狀的0-600目都可以過濾."大漢"旋振篩系列產品同時配備專門的篩網清理裝置,把堵網率降到低,過網率和處理精度得以有效提高."大漢"具備特殊型號制造的能力讓顧客對"大漢"有更多的選擇.

應用廣泛:篩分細至500目或0.028mm的粉狀和顆粒狀,液體物料可過濾至5微米。
不易堵網:可選彈跳球/超聲波/轉鼓清潔裝置,防止網孔堵塞。
多層篩選:1-5層多層篩分,可獲得2-6種不同規格的成品。
無污染:全密封結構,無粉末溢出,無液體溢出。
自動化:雜質、粗料自動排出,可連續作業。
操作方便:出料口可360°旋轉,更換篩網僅需3-5分鐘。


| 型 號 | DH-600 | DH-800 | DH-1000 | DH-1200 | DH-1500 | DH-1800 | DH-2000 |
| 直徑mm | Φ600 | Φ800 | Φ1000 | Φ1200 | Φ1500 | Φ1800 | Φ2000 |
| 篩網面積m | 0.24 | 0.45 | 0.67 | 1.0 | 1.6 | 2.43 | 3.01 |
| 篩網規格(目) | 2-500 | ||||||
| 進料粒度mm | <Φ10 | <Φ15 | <Φ20 | <Φ30 | |||
| 振次rpm | 1500 | 1500 | 1500 | 1500 | 1500 | 1500 | 1500 |
| 有效篩面直mm | Φ560 | Φ760 | Φ930 | Φ1130 | Φ1430 | Φ1760 | Φ1960 |
| 層數 | 1-5 | ||||||
| 功率Kw | 0.25 | 0.55 | 0.75 | 1.1 | 1.5 | 2.2 | 3 |


化工行業:樹脂、涂料、工業藥品、化妝品、油漆、中藥粉等。
食品行業:糖粉、淀粉、食鹽、米粉、奶粉、豆漿、蛋粉、醬油、果汁等。
金屬、冶金礦業:鋁粉、鉛粉、銅粉、礦石、合金粉、焊條粉末、二氧化錳、電解銅粉、電磁性材料、研磨粉、耐火材料、高嶺土、石灰、氧化鋁、重質碳酸鈣、石英砂等。
公害處理:廢油、廢水、染整廢水、助劑、活性碳等。


1、保修期內非因操作不當造成需要更換的零配件及設備由我廠負責包修、包換。
2、質量保證期結束后,我廠將繼續免費提供售后服務,不限年份終身服務,僅收取零部件成本費。